- HOME
- 產品介紹
- 工業相機
- 中高畫素H系列工業相機
-
MV-CH250-60GM
MV-CH250-60GM
2500萬像素,GigE,黑白,面陣相機
資料下載
產品介紹
詳細參數
功能特性
· 支援手動調節增益、Gamma校正、LUT等
· 支援硬觸發、軟觸發及自由運行模式
· 安裝方便靈活,相機上下面板均有安裝孔,可依需求自行選擇
· 相容GigE Vision V2.0協定及GenlCam標準,無縫接取第三方軟體平台
訂貨型號
· MV-CH250-60GM
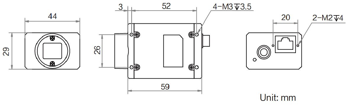
外形尺寸

*產品所涉資料可能因環境等因素而產生差異,本公司不承擔由此產生的後果。
| 型號 | 型號 | MV-CH250-60GM |
| 名稱 | 2500萬像素,GigE,黑白,面陣相機 | |
| 效能 | 感測器類型 | CMOS,滾動快門 |
| 感測器型號 | 堆疊式BSI | |
| 像元尺寸 | 2.44 μm × 2.44 μm | |
| 靶面尺寸 | 12.6 mm × 12.6 mm | |
| 解析度 | 5120 × 5120 | |
| 最大幀率 | 4.7 fps @5120 × 5120 Mono 8 | |
| 動態範圍 | 69.3 dB | |
| 信噪比 | 39.9 dB | |
| 增益 | 0 dB ~ 24 dB | |
| 曝光時間 | 116 μs ~ 10 sec | |
| 快門模式 | 支援自動曝光、手動曝光、一鍵曝光等模式,支援Global Reset和Rolling 功能 | |
| 黑白/彩色 | 黑白 | |
| 像素格式 | Mono 8/10/10Packed/12/12Packed | |
| Binning | 支援1 × 1,2 × 2,4 × 4 | |
| 下採樣 | 支援1 × 1,2 × 2,4 × 4 | |
| 鏡像 | 支援水平鏡像、垂直鏡像輸出 | |
| 電氣特性 | 資料介面 | Gigabit Ethernet(1000Mbit/s)相容於Fast Ethernet(100Mbit/s) |
| 數位I/O | 6-pin P7接頭提供供電和I/O:1路光耦隔離輸入(Line0),1路光耦隔離輸出(Line1),1路雙向可配置非隔離I/O(Line2) | |
| 供電 | 9~24V,支援PoE供電 | |
| 典型功耗 | 3.9 W@12 VDC | |
| 結構 | 鏡頭接口 | C-Mount |
| 外形尺寸 | 29 mm × 44 mm × 59 mm | |
| 重量 | 約96 g | |
| IP防護等級 | IP40(正確安裝鏡頭以及線纜的情況下) | |
| 溫度 | 工作溫度-10°C ~ 50°C,儲藏溫度-30°C ~ 80°C | |
| 濕度 | 20% ~ 95%RH無冷凝 | |
| 一般規範 | 軟體 | MVS或第三方支援GigE Vision協議軟體 |
| 作業系統 | Windows 7/10 32/64bits,Windows 11 64bits,Linux 32/64bits | |
| 協議/標準 | GigE Vision V2.0,GenICam | |
| 認證 | CE,RoHS,KC |